单级旋片式真空泵

RVP-630S

简介:       

本款泵是油封式旋片真空泵,具有抽速大、不喷油、不漏油等特点。防返油止

逆阀系统、气镇阀方便可靠等结构保证了产品的性能稳定,使用寿命长,故障低,

维护方便等特点。本款泵可单独使用,也可作为各种分子泵、扩散泵、罗茨泵等高

真空、超高真空系统的前级泵和预抽泵。

  • 技术指标
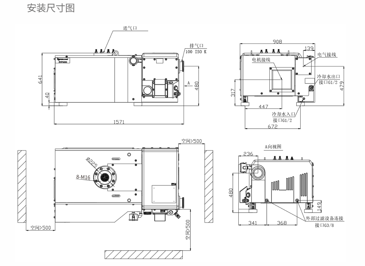
  • 尺寸图
  • 市场与应用
  • 配件
  • 资料下载